Куплю
5 февраля 2026 г. в 09:51
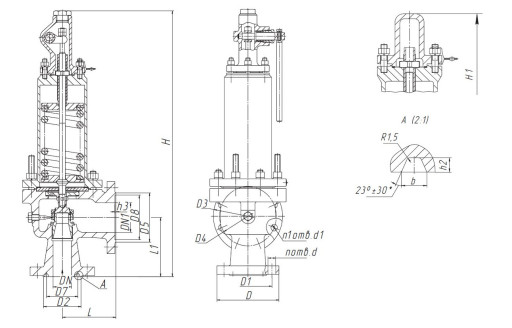
куплю Клапан предохранительный пружинный 17с17нж ду 200 ру16 4ШТ ду150 ру16
visibility691
favorite_border
3
Контакты доступны только зарегистрированным пользователям
куплю Клапан предохранительный пружинный 17с17нж ду 200 ру16 4ШТ ду 150 ру16 фото и цены присылайте сразу