Продам
    
      10 января 2025 г. в 15:41
    
    
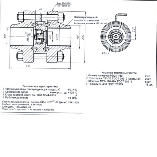
  Клапан обратный КО 15-80х21 ХЛ 2 (ф89) с КОФ для фонтанной арматуры. Ду80 Ру210 (21,0 МПа)
        visibility181
        
        
        
                  
            favorite_border
            
          
              
      
      
            location_on
            Саратов / Саратовская область          
        
        
          mail
          gromykods@mail.ru
        
        
              
      Клапан обратный фланцевый (исп.7) 80х21 ХЛ в комплекте с ответными фланцами из стали
09Г2С по ГОСТ 12821-80 с наплавкой внутреннего прохода и канавок из ст. 12Х18Н10Т , прокладками овального сечения и крепёжными деталями с цинковым покрытием. Производство декабрь 2015 год. Без эксплуатации.
  09Г2С по ГОСТ 12821-80 с наплавкой внутреннего прохода и канавок из ст. 12Х18Н10Т , прокладками овального сечения и крепёжными деталями с цинковым покрытием. Производство декабрь 2015 год. Без эксплуатации.
 
         
               
               
               
               
               
              