Продам
2 февраля 2026 г. в 09:27
«Сахалин» — новая серия американок с конусным соединением металл по металлу
visibility157
favorite_border
Отечественная индустрия трубопроводных соединений пополнилась новинкой.
Запускаем новую серию фитингов типа «американки» серии «Сахалин».
Это конические «американки» с конусной посадкой металл-по-металлу, обеспечивающие надёжную герметичность без каких-либо уплотнительных прокладок.
Проще говоря, в новой серии прокладки не нужны вовсе — металлические конусные поверхности соприкасаются напрямую и дают плотный контакт .
Преимущества серии «Сахалин»
Соединение без прокладок: герметичность достигается за счёт конусной посадки металл-по-металлу .
Полностью российское производство: серия «Сахалин» выпускается в России.
Материал: сталь 09Г2С (ГОСТ 2590-2006) , обладающая высокой прочностью и износостойкостью. Этот сплав сохраняет свои свойства даже при экстремальных температурах от -70°С до +425°С , обеспечивая работу соединений в суровом климате.
Изделия производятся по собственным ТУ 24.20.40-002-42021074-2022 , что гарантирует соответствие высоким стандартам качества.
Повышенная надёжность и долговечность: отсутствие прокладок означает, что нечему стареть или разрушаться; конусное уплотнение остаётся герметичным долгие годы.
Прецизионная обработка деталей: гладкие поверхности, никаких заусенцев.
Тотальный контроль качества на всех этапах: каждый элемент проходит проверку, что гарантирует отсутствие дефектов.
Новая серия «Сахалин» уже доступна для заказа и задаёт новый стандарт качества для соединений типа «американка».
Эти конусные американки подойдут и профессионалам, и домашним мастерам – простота монтажа и уверенность в отсутствии протечек важны всем.
С «Сахалином» вы получаете отечественный продукт, сочетающий передовые технологии производства и надёжное соединение, рассчитанное на долгие годы службы.
✔️ Расшифровка обозначения
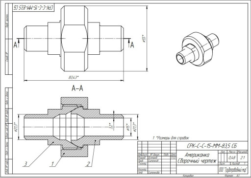
СРК-С-С-15-ММ-83,5 СБ
С - соединение
Р - разъёмное
К - коническое
Далее присоединение к трубопроводу:
С - сварка
С - сварка
(то есть оба штуцера - под сварку, приварные)
15 - условный проход Dy 15
Уплотнение:
ММ - металл–металл (коническое уплотнение, без прокладок)
83,5 - строительная длина соединения
СБ - сборочный чертеж
Запускаем новую серию фитингов типа «американки» серии «Сахалин».
Это конические «американки» с конусной посадкой металл-по-металлу, обеспечивающие надёжную герметичность без каких-либо уплотнительных прокладок.
Проще говоря, в новой серии прокладки не нужны вовсе — металлические конусные поверхности соприкасаются напрямую и дают плотный контакт .
Преимущества серии «Сахалин»
Соединение без прокладок: герметичность достигается за счёт конусной посадки металл-по-металлу .
Полностью российское производство: серия «Сахалин» выпускается в России.
Материал: сталь 09Г2С (ГОСТ 2590-2006) , обладающая высокой прочностью и износостойкостью. Этот сплав сохраняет свои свойства даже при экстремальных температурах от -70°С до +425°С , обеспечивая работу соединений в суровом климате.
Изделия производятся по собственным ТУ 24.20.40-002-42021074-2022 , что гарантирует соответствие высоким стандартам качества.
Повышенная надёжность и долговечность: отсутствие прокладок означает, что нечему стареть или разрушаться; конусное уплотнение остаётся герметичным долгие годы.
Прецизионная обработка деталей: гладкие поверхности, никаких заусенцев.
Тотальный контроль качества на всех этапах: каждый элемент проходит проверку, что гарантирует отсутствие дефектов.
Новая серия «Сахалин» уже доступна для заказа и задаёт новый стандарт качества для соединений типа «американка».
Эти конусные американки подойдут и профессионалам, и домашним мастерам – простота монтажа и уверенность в отсутствии протечек важны всем.
С «Сахалином» вы получаете отечественный продукт, сочетающий передовые технологии производства и надёжное соединение, рассчитанное на долгие годы службы.
✔️ Расшифровка обозначения
СРК-С-С-15-ММ-83,5 СБ
С - соединение
Р - разъёмное
К - коническое
Далее присоединение к трубопроводу:
С - сварка
С - сварка
(то есть оба штуцера - под сварку, приварные)
15 - условный проход Dy 15
Уплотнение:
ММ - металл–металл (коническое уплотнение, без прокладок)
83,5 - строительная длина соединения
СБ - сборочный чертеж